詳細介紹
| 產品概述 Q671 氣動對夾球閥是氣動球閥中的一種,是引進意大利技術進行國產化設計而發展出的新一代超短法蘭距球閥,球芯通道形狀有矩形、V形及O形。該產品具有結構緊湊、體積小、重量輕、安裝方便等特點,可廣泛應用在石油、化工、冶金、電站、輕工等領域,對油、水、氣及紙漿或纖維狀流體進行自動調節或切斷控制。Q671 氣動球閥由氣動雙活塞齒輪齒條執行器和超短法蘭距球閥組合而成,閥體部分同“1”電動球閥閥體一樣。氣動活塞執行機構分有彈簧式和無彈簧式兩種。故障下要求閥全開或關閉時配有彈簧式(靠彈簧的恢復張力復位),故障下要求保位時,配無彈簧式。它主要由缸體、彈簧、活塞、活塞桿、前后缸蓋、齒條、輸出軸等零部件組成。對兩位開關閥,需配電磁閥以及行程開關等;對比例式調節閥,需配定位器。 主要連接尺寸
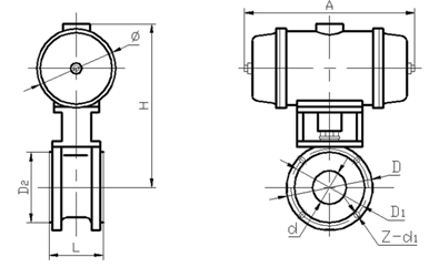
產品尺寸![]() |
溫馨提示:“Q671氣動對夾球閥”所有文字、數據、圖片均只適用于參考。
如需與實物相吻合的性能參數、結構尺寸參數等詳情請來電來函索取。
電話:021-68103333 傳真:021-51686322
如需與實物相吻合的性能參數、結構尺寸參數等詳情請來電來函索取。
電話:021-68103333 傳真:021-51686322

軟密封蝶閥視頻介紹





掃一掃關注我們