詳細介紹
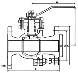
| 產品名稱: 美標球閥 產品描述: 系列型號:Q41,Q47 連接形式:法蘭 公稱通徑:NPS2~24" 公稱壓力:CLASS 150~600 溫度范圍:-51~280℃ 閥體材料:WCB,LCB,WC6,WC9, CF8,CF8M,CF3,CF3M,A105。 驅動方式:手動、電動、氣動 設計標準:ASME/ANSI B16.34 結構長度:ASME/ANSI B16.10 連接標準:法蘭端尺寸標準(ASME/ANSI B16.5(RF)(RJ)),對焊端尺寸標準(ASME/ANSI B16.25(BW)) 檢驗標準:API 598 系列產品:浮動球閥,固定球閥,片式球閥,渦輪球閥,電動球閥,氣動球閥 球閥在石油、天然氣、煤炭和礦石的開采、提煉加工和管道輸送系統中;在化工產品、醫藥和食品生產中;在水電、火電和核電的電力生產系統中;在城市和工業企業的給排水、供熱、和供氣系統中;在農田的排灌系統中;在治金生產系統中得以廣泛的應用,是一種與生產建設、國防建設和人民生活息息相關的重要機械產品。球閥密閉在各類管路系統種用于截斷或接通介質流,使介質按照預定的程序輸送到各個指定點。 產品結構![]() |
溫馨提示:“美標鑄鋼球閥”所有文字、數據、圖片均只適用于參考。
如需與實物相吻合的性能參數、結構尺寸參數等詳情請來電來函索取。
電話:021-68103333 傳真:021-51686322
如需與實物相吻合的性能參數、結構尺寸參數等詳情請來電來函索取。
電話:021-68103333 傳真:021-51686322

軟密封蝶閥視頻介紹




掃一掃關注我們